广州市唐安电子设备责任有限公司-为价值而生!
17101850785
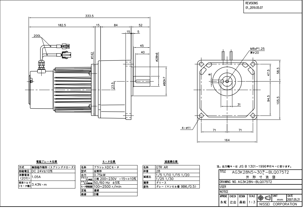
广州市唐安电子设备有限责任公司代理日本株式会社日精型号AG3K28N20N-BLQ075T2无刷齿轮电动机
日本日精马达型号AG3K28N20N-BLQ075T2性能和特征:
特色
1.可以使用DC12V / 24V / 48V电池电源进行操作。齿轮和电动机作为一组提供。
2.驱动程序也可单独购买。专用驱动程序(另售)已经变得紧凑。 (400W,24V除外)移动的身体也无需额外布线即可刷新!
3.无刷,低噪音,高效率,长寿命,无噪音,免维护使用专用驱动器简单,方便且可靠(可以进行速度控制。可以进行减速操作)。
4.电动机受约束时的内置保护功能(转矩控制)。您可以上下行驶。
5.规格书产品类型:GTR-AR(变速无刷直流齿轮电动机APQ)
6.安装分类:平行轴(小法兰安装型)输出轴直径(外径):28轴向排列:平行轴
7.减速比:1/5齿隙精度:正常电机版本:BL带刹车
8.马达电机容量:三相0.75kW相数:三相电压:200V
9.齿隙精度是仅减速机的精度,与定位精度不同。
广州市唐安热线电话- 020-22043406 分机:801
手机:171-0185-0785(微信同号)
QQ:3114407237
广州市唐安代理日精型号如下:
AG3K28N120N-BLQ020T2
AG3K28N5N-BLF075T2
AG3K28N10N-BLF075T2
AG3K28N15N-BLF075T2
AG3K28N20N-BLF075T2
AG3K28N25N-BLF075T2
AG3K28N30N-BLF075T2
AG3K28N120L-BLF020T2
AG3K28N160L-BLF020T2
AG3K28N200L-BLF020T2
AG3K28N40L-BLF040T2
AG3K28N50L-BLF040T2
AG3K28N60L-BLF040T2
AG3K28N80L-BLF040T2
AG3K28N100L-BLF040T2
广州市唐安代理日精型号如下:
AG3K28N5L-BLF075T2
AG3K28N10L-BLF075T2
AG3K28N15L-BLF075T2
AG3K28N20L-BLF075T2
AG3K28N25L-BLF075T2
AG3K28N30L-BLF075T2
AG3K28N20N-BLP075T2
AG3K28N25N-BLP075T2
AG3K28N30N-BLP075T2
AG3K28N120L-BLP020T2
AG3K28N160L-BLP020T2
AG3K28N200L-BLP020T2
AG3K28N40L-BLP040T2
AG3K28N50L-BLP040T2
AG3K28N60L-BLP040T2
AG3K28N80L-BLP040T2
AG3K28N100L-BLP040T2
AG3K28N5L-BLP075T2
广州市唐安代理日精型号如下:
AG3K28N10L-BLP075T2
AG3K28N15L-BLP075T2
AG3K28N20L-BLP075T2
AG3K28N25L-BLP075T2
AG3K28N30L-BLP075T2
AG3K28N200N-BLQ020T2
AG3K28N40N-BLQ040T2
AG3K28N50N-BLQ040T2
AG3K28N60N-BLQ040T2
AG3K28N80N-BLQ040T2
AG3K28N100N-BLQ040T2
AG3K28N5N-BLQ075T2
AG3K28N10N-BLQ075T2
AG3K28N15N-BLQ075T2
AG3K28N20N-BLQ075T2
AG3K28N25N-BLQ075T2
AG3K28N30N-BLQ075T2
AG3K28N120L-BLQ020T2
AG3K28N160L-BLQ020T2
AG3K28N200L-BLQ020T2
AG3K28N40L-BLQ040T2
AG3K28N50L-BLQ040T2
AG3K28N60L-BLQ040T2
AG3K28N80L-BLQ040T2
AG3K28N100L-BLQ040T2
AG3K28N160N-BLQ020T2
AG3K28N120N-BLP020T2
AG3K28N160N-BLP020T2
AG3K28N200N-BLP020T2
AG3K28N40N-BLP040T2
AG3K28N50N-BLP040T2
AG3K28N60N-BLP040T2
AG3K28N80N-BLP040T2
AG3K28N100N-BLP040T2
AG3K28N10N-BLP075T2
AG3K28N15N-BLP075T2
AG3K28N50N-BLE040T2
AG3K28N60N-BLE040T2
AG3K28N80N-BLE040T2
AG3K28N100N-BLE040T2
AG3K28N5N-BLE075T2
AG3K28N10N-BLE075T2
广州市唐安代理日精型号如下:
AG3K28N15N-BLE075T2
AG3K28N20N-BLE075T2
AG3K28N25N-BLE075T2
AG3K28N30N-BLE075T2
AG3K28N120L-BLE020T2
AG3K28N160L-BLE020T2
AG3K28N200L-BLE020T2
AG3K28N40L-BLE040T2
AG3K28N50L-BLE040T2
AG3K28N60L-BLE040T2
AG3K28N80L-BLE040T2
AG3K28N100L-BLE040T2
AG3K28N5L-BLE075T2
广州市唐安代理日精型号如下:
AG3K28N10L-BLE075T2
AG3K28N15L-BLE075T2
AG3K28N20L-BLE075T2
AG3K28N25L-BLE075T2
AG3K28N30L-BLE075T2
AG3K28N120N-BLF020T2
AG3K28N160N-BLF020T2
AG3K28N200N-BLF020T2
AG3K28N40N-BLF040T2
AG3K28N50N-BLF040T2
AG3K28N60N-BLF040T2
AG3K28N80N-BLF040T2
广州市唐安代理日精型号如下:
AG3K28N100N-BLF040T2
版权所有:广州市唐安电子设备责任有限公司 粤ICP备18137296号
技术支持:易动力网络